Shipping from 10.20 EUR ex. VAT
Minimum order 20 EUR ex. VAT + freight
Delivery in 1-3 days
+45 86 15 01 11
mw@mw.dk
English
Dansk
Private
Business
Search
Login
Shopping cart (0)
Webshop
Production
Materials
Ressources
Company info
Special offers
Brochures
Contact
Login
Cart
You are here:
Home
Bearings
Spindle Bearings
234408M.SP - 234711M.SP
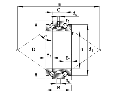
FAG 234720-M-SP AXIAL ANGULAR CONTACT BALL BEARING
FAG 234720-M-SP AXIAL ANGULAR CONTACT BALL BEARING
Itemnumber:
234720-M-SP
Std. sales price EUR 5,748.26
EUR 2,299.31
/ PCS
EUR 1,839.44 ex. VAT
More information
Need support?
Please contact Customer Service: +45 86 15 01 11
Specifications
Designation
Aksial vinkelkontaktleje
Inner diameter
103.00
Outer diameter
150.00
Width
60.00
Manufacturer/Brand
FAG
EAN
4012801488198
Alternative
FAG 234720M.SP
Designation
Axial angular contact ball bearing
Cage
Brass cage