Shipping from 10.20 EUR ex. VAT
Minimum order 20 EUR ex. VAT + freight
Delivery in 1-3 days
+45 86 15 01 11
mw@mw.dk
English
Dansk
Private
Business
Search
Login
Shopping cart (0)
Webshop
Production
Materials
Ressources
Company info
Special offers
Brochures
Contact
Login
Cart
You are here:
Home
Linear Guidance Systems
Track Roller Guidance Systems
LFS series
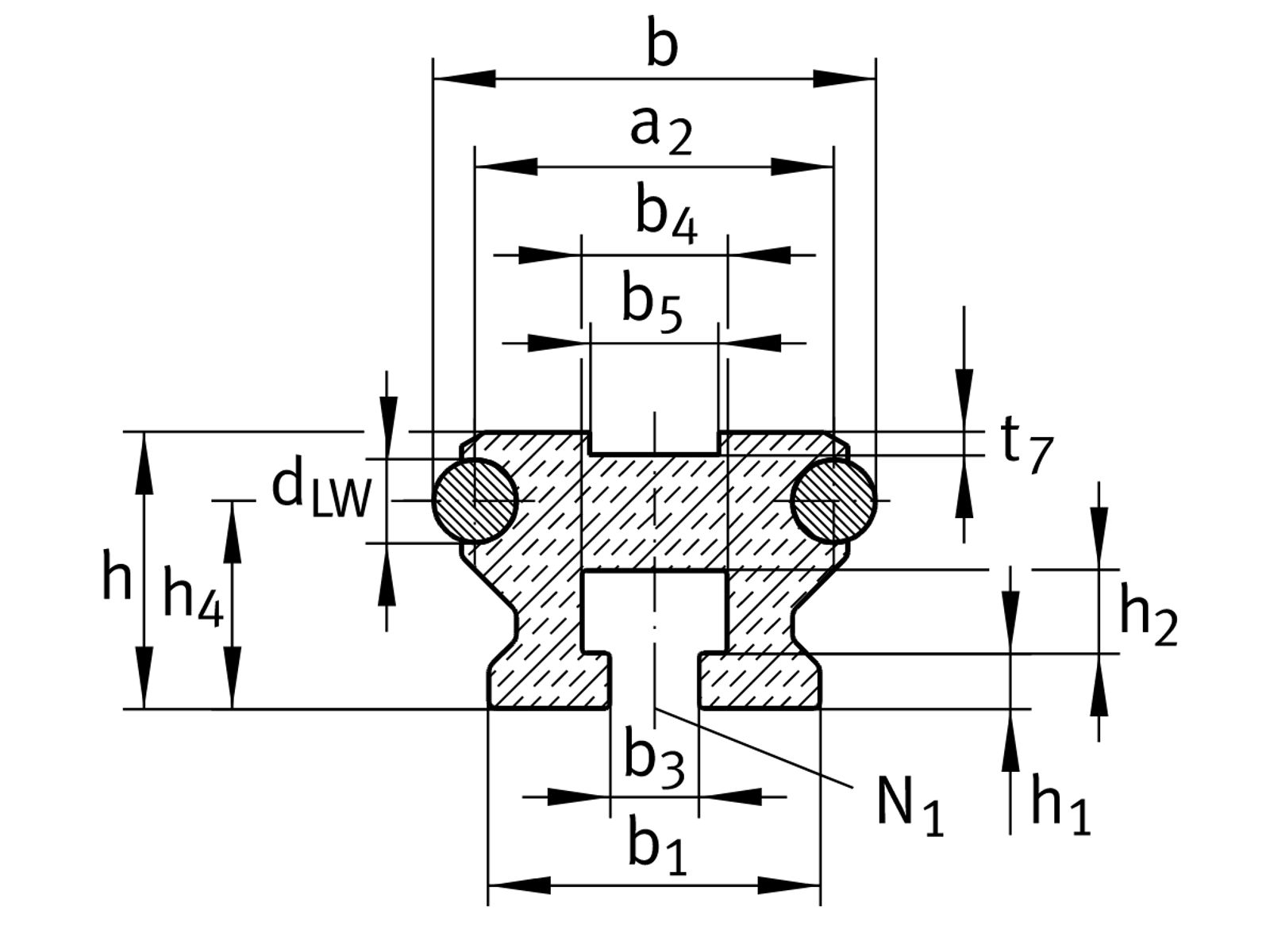
INA LFS32-N GUIDEWAYS
INA LFS32-N GUIDEWAYS
Itemnumber:
LFS32N
Std. sales price EUR 533.00
EUR 266.50
/ PCS
EUR 213.20 ex. VAT
More information
Need support?
Please contact Customer Service: +45 86 15 01 11
Specifications
Designation
Skinne
Width
32.00
Manufacturer/Brand
INA
Hole spacing
125
Tarifnumber
84661020
Designation
Guideways