Shipping from 10.20 EUR ex. VAT
Minimum order 20 EUR ex. VAT + freight
Delivery in 1-3 days
+45 86 15 01 11
mw@mw.dk
English
Dansk
Private
Business
Search
Login
Shopping cart (0)
Webshop
Production
Materials
Ressources
Company info
Special offers
Brochures
Contact
Login
Cart
You are here:
Home
Transmission
Timing belts and pulleys
Timing belt pulleys
Timing belt pulleys AT10
TIMING BELT PULLEY 47-AT10-48-0
TIMING BELT PULLEY 47-AT10-48-0
Itemnumber:
ZRS-47-AT10-48-0
Std. sales price EUR 226.49
EUR 181.20
/ STK
EUR 144.96 ex. VAT
More information
Need support?
Please contact Customer Service: +45 86 15 01 11
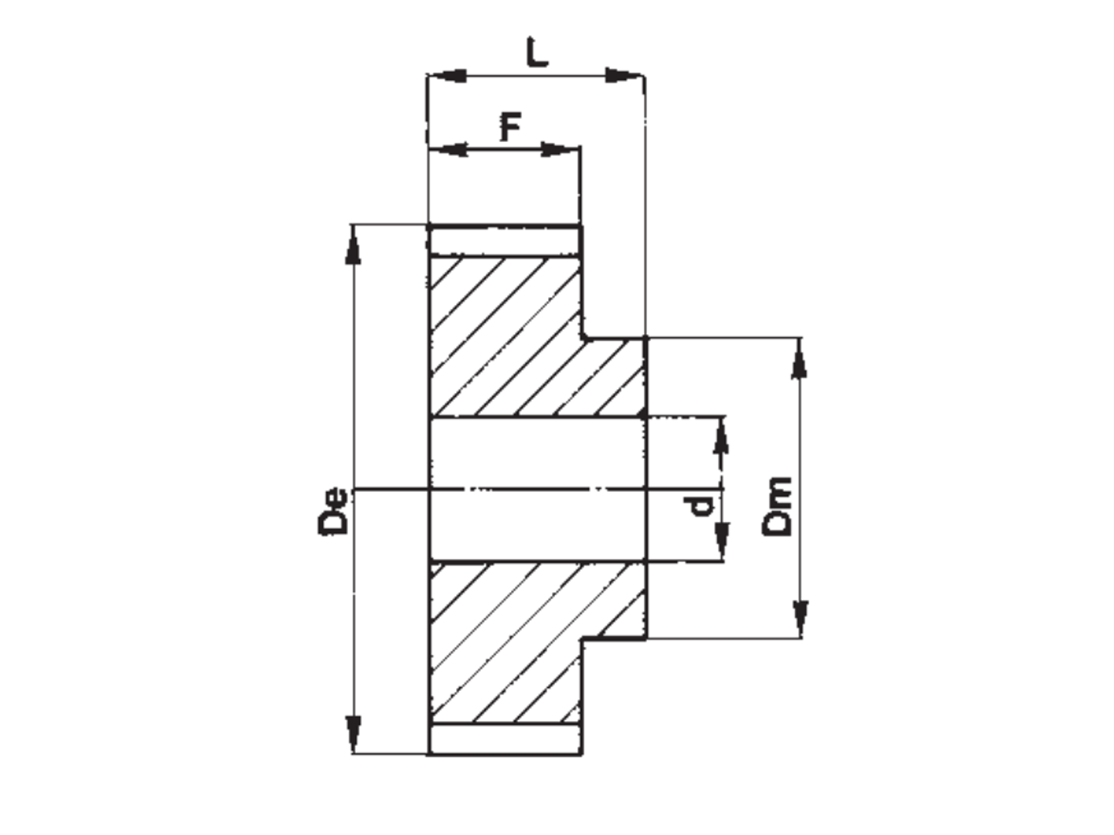
Specifications
Designation
Tandremskive
Profile type
6
Belt width
32
Number of teeth
48
Dimension (Dp) (mm) - Pitch diameter
152.78
Hub diameter (mm)
95
Dimension (F)
37
Dimension (L)
47
Pre-bore (mm)
16
Dimension (De)
150.95
Tarifnumber
84835080
Designation
Timing belt pulley
Material
Aluminum