Shipping from 10.20 EUR ex. VAT
Minimum order 20 EUR ex. VAT + freight
Delivery in 1-3 days
+45 86 15 01 11
mw@mw.dk
English
Dansk
Private
Business
Search
Login
Shopping cart (0)
Webshop
Production
Materials
Ressources
Company info
Special offers
Brochures
Contact
Login
Cart
You are here:
Home
Bearings
Yoke type track rollers
INA RSTO45 YOKE TYPE TRACK ROLLER
INA RSTO45 YOKE TYPE TRACK ROLLER
Itemnumber:
RSTO45-INA
Std. sales price EUR 444.84
EUR 177.94
/ PCS
EUR 142.35 ex. VAT
More information
Need support?
Please contact Customer Service: +45 86 15 01 11
Specifications
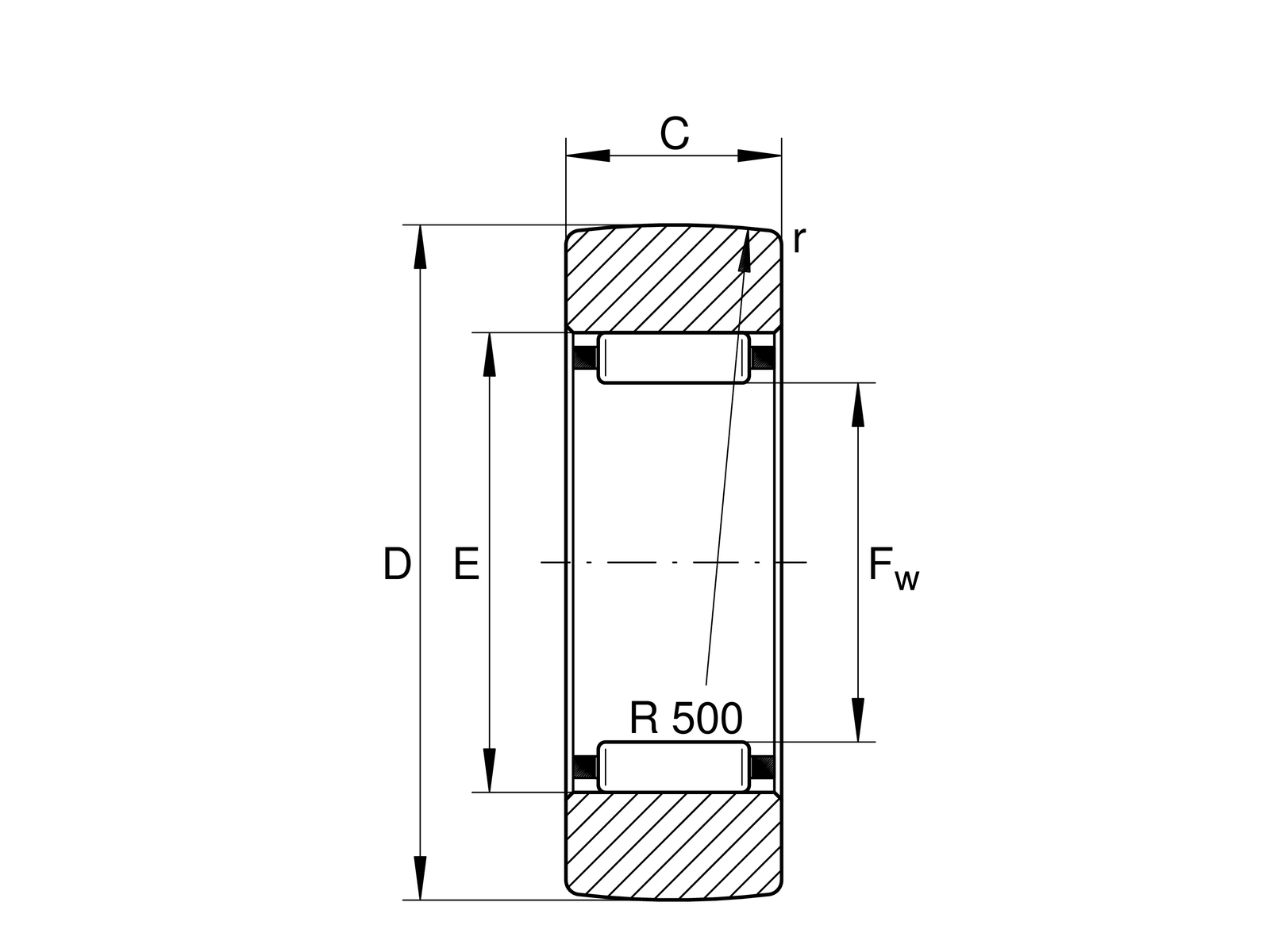
Designation
Støtterulle
Inner diameter
55.00
Outer diameter
85.00
Width
19.80
External link
Go to online catalogue
Manufacturer/Brand
INA
EAN
4012802713855
Tarifnumber
84824000
Alternative
IKO RNAST45R
Designation
Yoke type track roller
Cage
Sheet steel cage
Sealing
None, open bearing